关于《汕尾市陆丰市预留城乡建设用地规模使用审批表(康养中心项目)》成果的公告-维多利亚网址

您现在所在的位置 : 维多利亚网址 > 汕尾市华侨管理区 > 政务信息 > 重点项目
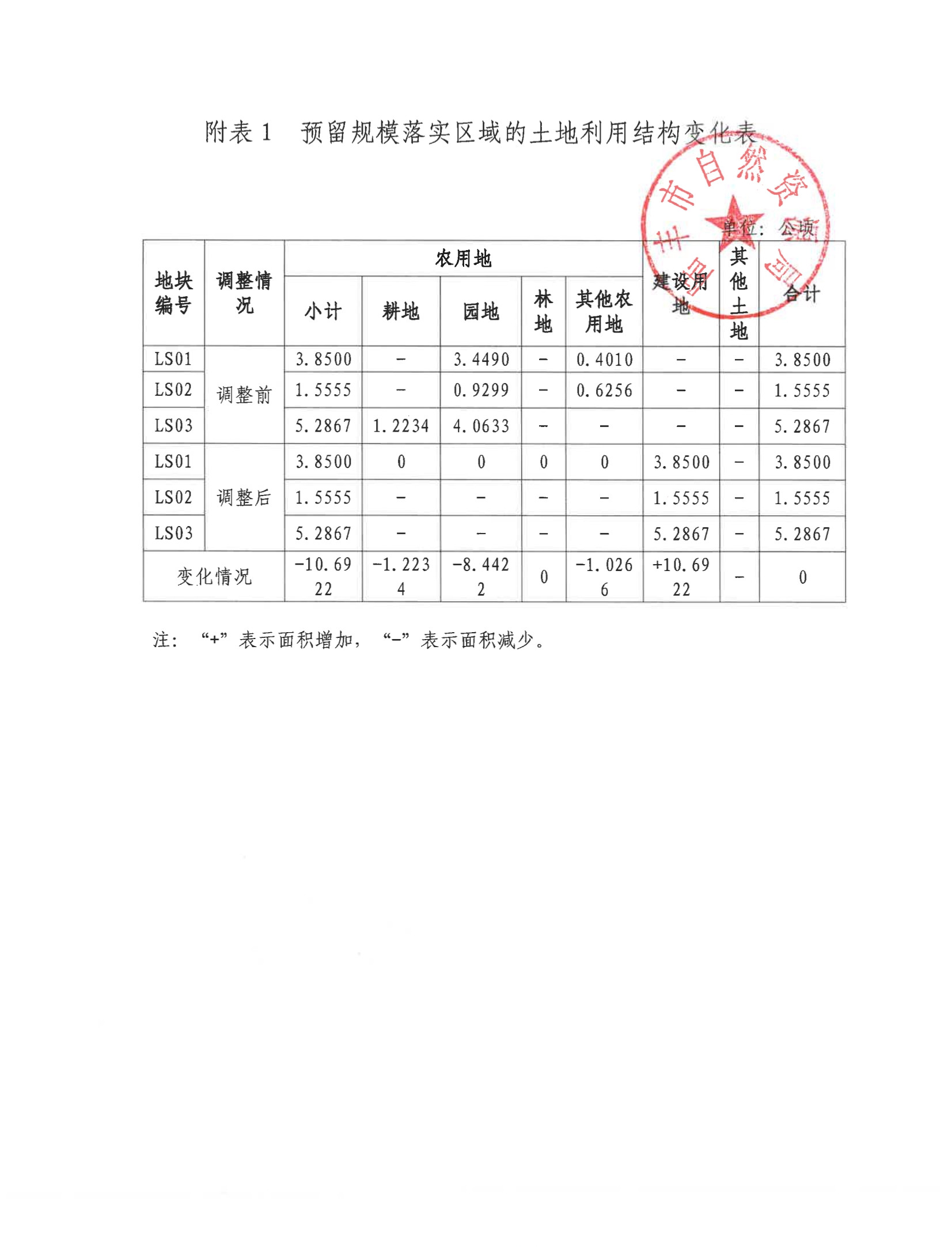
关于《汕尾市陆丰市预留城乡建设用地规模使用审批表(康养中心项目)》成果的公告
2023-09-28 14:56          来源: 陆丰市自然资源局          发布机构:汕尾市华侨管理区 【字体:   】打印 分享到:

1_1.jpg1_2.jpg1_3.jpg1_4.jpg1_5.jpg

关联稿件:
相关附件:
扫一扫在手机打开当前页
【】【】

您访问的链接即将离开“汕尾市华侨管理区门户”网站,是否继续?

网站地图